| Index | Średnica [cal] | Zakres średnic zewnętrznych rury [mm] | Waga [kg] | Opakowanie [szt] | Kod EAN |
|---|---|---|---|---|---|
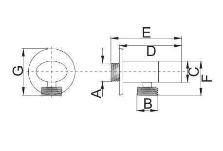
| ZK.C10O | (A)1/2, (B)3/8 | (C)23(D)55(E)75(F)39(G)48 | 0,181 | 90 | 5900308742600 |
| ZK.C15O | (A)1/2, (B)1/2 | (C)23(D)55(E)75(F)39(G)48 | 0,185 | 90 | 5900308742587 |
| ZK.C20O | (A)1/2, (B)3/4 | (C)23(D)55(E)75(F)39(G)48 | 0,215 | 90 | 5900308742594 |
Zawór kątowy z głowicą ceramiczną owalny w blistrze
Przeznaczenie: do otwierania i zamykania przepływu wody w sieciach wodociągowych
Parametry:
– media robocze: woda ciepła i zimna instalacji wodociągowych
– wykonane z mosiądzu pokryte powłoką chromowaną
– dla wszystkich zaworków wydawany jest deklaracja zgodności
– zawory posiadają atest higieniczny wydawany przez Państwowy Zakład Higieny














